Jiuhao Micro-electronics IC product passes all AEC-Q100 Qualification tests
AEC-Q100 is one of the world-wide automotive-level certification standards, which puts forward stringent reliability testing requirements for automotive chips. The rigorous requirements of automotive chips and the severe test of harsh environment are both included in the test project of AEC-Q100.
JHM1101, the Automotive Sensor Signal Conditioning IC from Beijing Jiuhao Micro-electronics Co. Ltd, recently passed every test items without any defect and successfully obtained the AEC-Q100 Qualification.

JHM1101 is an automotive-level sensor signal conditioning chip, mainly design for conditioning differential resistance bridge or half-bridge sensor signal, which widely used in automotive, industrial and other fields. Since 2014, JHM1101 chips have been continuously used and recognized by a large number of customers. Up to June of 2022, the total sales volume of JHM1101 has exceeded 26 million, showing excellent stability, reliability and cost-effective performance in the market.
Today with its excellent quality, stability, reliability, strong anti-interference ability and many other advantages, the JHM110X series chips have not only become the only choice of many well-known domestic automobile manufacturers, but also have been used widely among international well-known automobile enterprises(such as Germany and South Korea).
AEC-Q100 has become the worldwide general standard of automotive chip reliability testing after more than ten years of development. According to this standard, JHM1101 passed all AEC-Q100 tests successfully in Saixi Laboratory of China Institute of Electronic Technology Standardization and got the Qualification. Congratulations to Jiuhao Micro-electronics! It is expected that Jiuhao's chip products can support more customers, to make greater contributions to customers.
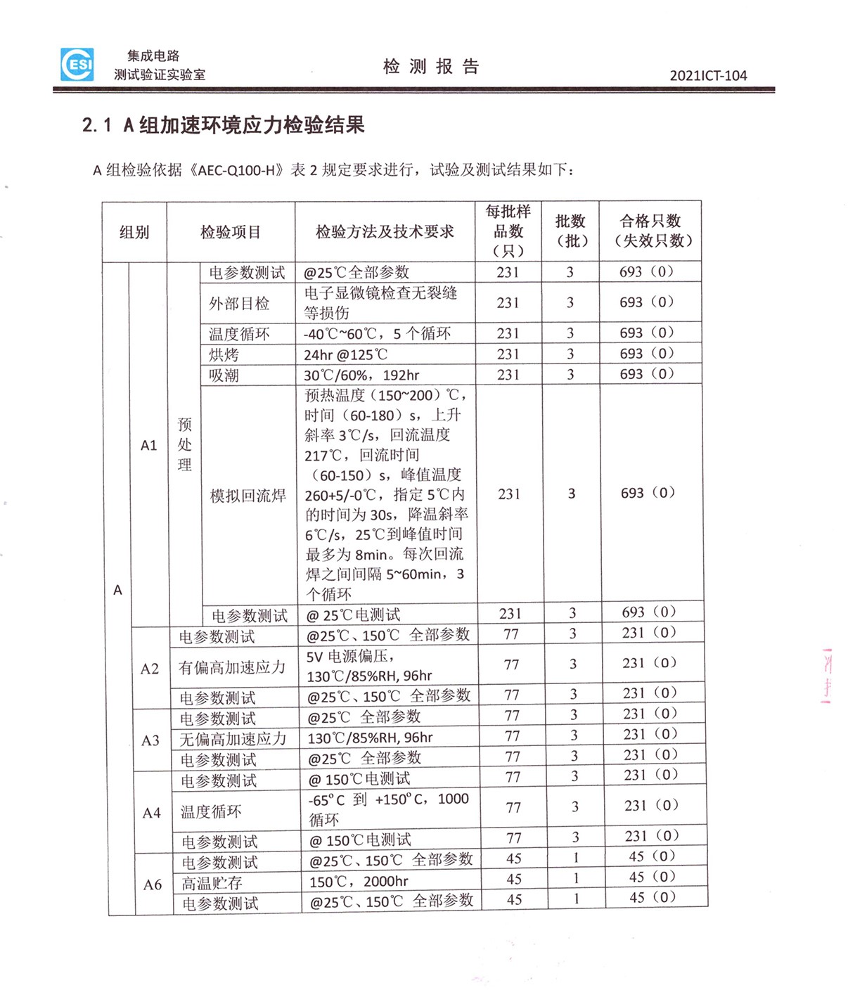
Attachment: Brief table information of partial tests


